Nicolas Waidele submits his second project called La Cabaña for the Portfolio Challenge. Nicolas studied architecture and design at the Illinois Institute of Technology and has been able to since continue working in the Chicago area. He is currently working at NWA Architects.
He has competed in the The Chicago Architecture Center (CAC) and the Chicago Architectural Club have announced seven finalists for the architectural design competition calling for new, creative visions for the State of Illinois Thompson Center designed by Helmut Jahn, built in 1984 and put up for sale in May 2021. The competition seeks to give the building new life through restorative architecture while preserving its architecture and public character. The competition was open to anyone with a vision for the building including students, architects, designers, planners, and artists.
[Do you want to be our next featured talent and participate in our monthly Portfolio Challenge? Submit your work here.]
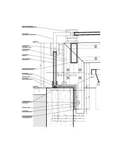
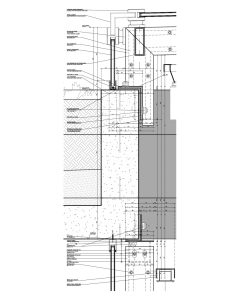
La Cabaña is a design that Nicolas created before joining The Chicago Architecture Center’s (CAC) Helmut Jahn Awards, and provides us with a sense of his design style and how he would design affordable housing. He goes into the smaller details necessary for construction documents and provides rendering of the façade, as well as the interlocking system that stabilizes the structures.
[Let us also share your great work with our Community and participate in the Portfolio Challenge today.]
How would you design affordable housing in an aesthetically pleasing way? Leave us your thoughts/insights in the comments section below!! 👇👇👇






Images by Nicolas Waidele
Make sure you keep up with us at Architect-US, and make full use of all of the information and insight we have for you for free. Do NOT forget that we have helpful services for you ranging from Portfolio Plans to Career Advice.👌 Our Selection Committee of architects and designers with 10+ years of experience love to help architects and designers at any point of their career to push the industry forward together!






Add comment